تجهیزات آزمایشگاهی
آزمایشهای مقاومت برشی
شامل ۲ عدد دستگاه برش مستقیم، ۲ عدد دستگاه سهمحوری، ۳ عدد دستگاه تکمحوری، ۲ عدد دستگاه CBR و ۱ عدد دستگاه خمش برقی.
شاخصهای خاک
شامل ۳ عدد میکسر هیدرومتری، وسایل دانسیته، ۱ عدد دستگاه ارزش ماسهای، ۵ عدد ترازوی دیجیتالی، ۲ عدد آون، ۱ عدد شیکر و ۱ عدد مخلوطکن.
تجهیزات عمومی و کمکی
شامل ۱ عدد دستگاه پرس، ۳ عدد میز ویبره کوچک، ۱ عدد دستگاه اندازهگیری فشار منفذی، ۱ عدد دستگاه اندازهگیری سریع خاک و ۱ عدد دستگاه ژئوفیزیک مقاومت خاک الکتریکی.
دستگاه استوانه توخالی دینامیکی
دستگاه استوانه توخالی دینامیکی
ویژگی های اصلی:
• کنترل همزمان چهار محور بارگذاری
• قابلیت اعمال فرکانس تا یک هرتز
• مود برش استاتیکی در حالت کنترل تنش و کنترل کرنش
• مود برش تناوبی در حالت کنترل تنش
کاربرد:
• ارزیابی اثرات ناهمسانی القائی
• ارزیابی اثرات چرخش تنش های اصلی
• ارزیابی اثرات تنش اصلی میانی
• مطالعه اثرات کنترل مستقل جهت و شدت تنش های اصلی بر رفتار تحکیمی، برش استاتیکی و برش تناوبی
برخی از پروژه های تحقیقاتی:
• مطالعه اثر جهت تنش اصلی و ناهمسانی اولیه بر رفتار ماسه سیلتی (کیهانی و حائری، 2013)
• مطالعه رفتار تناوبی ماسه های ناهمسان (جعفرزاده و زمانیان، 2014الف و 2014ب)
• توسعه دستگاه استوانه توخالی دینامیکی برای آزمایش های غیراشباع (حسین پور و همکاران، 2016)
- مشخصات فنی دستگاه استوانه توخالی دینامیکی
- تغیرات متوسط شاخص شکنندگی (IB) با مقدار سیلت و جهت تنش های اصلی نسبت به قائم (α) (کیهانی و حائری، 2013)
- مسیرهای تنش برش پیچشی و تنش تفاضلی در آزمایش های تناوبی (جعفرزاده و زمانیان، 2014الف) تغییرات نسبت فشار آب حفره ای گذرا با کرنش برشی هشت وجهی (جعفرزاده و زمانیان، 2014ب)
دستگاه سه محوری تناوبی
دستگاه سه محوری تناوبی
ویژگی های اصلی:
• مود برش استاتیکی در حالت کنترل کرنش
• مود برش تناوبی در حالت کنترل کرنش
• تغییر شکل برشی با نرخ ثابت
• تحکیم همسان و ناهمسان
کاربرد:
• ارزیابی مقاومت روانگرایی نمونه های اشباع
• ارزیابی مدول برشی و ضریب میرایی خاک های اشباع
• ارزیابی اثرات تنش استاتیکی اولیه بر مقاومت روانگرایی و خصوصیات دینامیکی خاک های اشباع
برخی از پروژه های تحقیقاتی:
• اصلاح دستگاه با الحاق پمپ جریان به منظور حذف خطای ناشی از تسلیم غشاء (حائری و همکاران، 2016 و 2018)
• اندازه گیری تغییر حجم اسکلت خاک در حین روند تحکیم با استفاده از تکنیک پردازش تصویر (حائری و همکاران، 2018)
• مطالعه تولید اضافه فشار آب حفره ای و رفتار مکانیکی ماسه سیمانی شده با کلسیت (حائری و شاکری، 2010؛ شاکری و همکاران، 2018)
- مشخصات فنی دستگاه سه محوری تناوبی
- تغییرات نسبت اضافه فشار آب حفره ای در مقابل تعدا سیکل نرمال شده برای (الف) نمونه های سیمانی اندود نشده و (ب) نمونه های سیمانی اندود شده و اصلاح شده در مقابل نفوذ غشاء (حائری و شاکری، 2010)
- توسعه دستگاه سه محوری با الحاق پمپ جریان به منظور حذف اثرات نفوذ غشاء (حائری و همکاران، 2016)
- تجهیزات عمل آوری نمونه های سه محوری سیمانی شده برای آزمایش های استاتیکی و تناوبی (شاکری و همکاران، 2018)
دستگاه برش ساده تناوبی غیراشباع
دستگاه برش ساده تناوبی غیراشباع
• شبیه سازی شرایط ناهمسانی تنش در فشار جانبی حالت سکون
• مود برش تناوبی در حالت کنترل تنش و کنترل کرنش
• تغییر شکل برشی با نرخ ثابت کرنش
• قابلیت شبیه سازی شرایط نمونه های خشک، کاملاً اشباع و غیراشباع
• قابلیت استفاده از پس فشار و کنترل پارامتر إسکمپتون B به منظور اشباع سازی نمونه
کاربرد:
• ارزیابی پتانسیل روانگرایی در شرایط بار-ثابت و حجم-ثابت
• ارزیابی مدول برشی و ضریب میرایی خاک های اشباع و غیراشباع
• ارزیابی اثرات تنش استاتیکی اولیه بر مقاومت روانگرایی و خصوصیات دینامیکی
برخی از پروژه های تحقیقاتی:
• مطالعه اثر درجه اشباع بر مدول برشی و ضریب میرایی ماسه (جعفرزاده و صادقی، 2009الف؛ 2009ب؛ 2012)
• مطالعه اثر تنش برشی استاتیکی اولیه بر روانگرایی ماسه (حائری و پورآقا، 2010)
• مقایسه خصوصیات دینامیکی ماسه در شرایط بار – ثابت و حجم – ثابت (جعفرزاده و صادقی، 2010)
• اصلاح دستگاه با الحاق تجهیزات روش انتقال محور و ستون آب معلق جهت مطالعه اثرات مکش بر خصوصیات دینامیکی خاک های غیراشباع (جعفرزاده و همکاران، 2013؛ 2014)
• اندازه گیری سرعت موج فشاری و برشی و خصوصیات الاستیک خاک های غیراشباع (کریم زاده و همکاران، 2016)
- مشخصات فنی دستگاه برش ساده تناوبی غیراشباع
- شماتیک توسعه دستگاه مرسوم برش ساده تناوبی برای انجام آزمایش روی نمونه های کاملاً اشباع با الحاق سیستم اشباع سازی مبتنی بر اعمال پس فشار (جعفرزاده و صادقی، 2010)
دستگاه سه محوری غیراشباع تمام اتوماتیک
دستگاه سه محوری غیراشباع تمام اتوماتیک
• کنترل مکش به روش انتقال محور
• قابلیت انجام آزمایش های کنترل مسیر تنش
• اعمال مود برشی در نسبت تنش ثابت
• اعمال مود برشی با نرخ کرنش ثابت
کاربرد:
• ارزیابی رفتار هیدرومکانیکی خاک های اشباع و غیراشباع تحت مسیرهای تنش مختلف
• ارزیابی ویژگی های مقاومتی خاک های اشباع و غیراشباع
• ارزیابی خصوصیات نگهداشت آب – خاک تحت شرایط متنوع بارگذاری و هیدرولیکی
برخی از پروژه های تحقیقاتی:
• توسعه دستگاه سه محوری با روش انتقال محور به منظور انجام آزمایش های کنترل مکش با قابلیت کنترل و اندازه گیری اتوماتیک همه مؤلفه های فشار و تغییر حجم (اکبری گرکانی، 2013)
• توسعه دستگاه سه محوری غیراشباع به منظور انجام آزمایش های کنترل تنش و کنترل کرنش تحت شرایط تنش ناهمسان (سلیمانی، 2015)
- مشخصات فنی دستگاه سه محوری غیراشباع تمام اتوماتیک
- طرح شماتیک دستگاه سه محوری غیراشباع تمام اتوماتیک (سلیمانی، 2015)
دستگاه ستون تشدید برش پیچشی غیراشباع
دستگاه ستون تشدید برش پیچشی غیراشباع
• کنترل مکش به روش انتقال محور
• قابلیت انجام آزمایش ستون تشدید
• قابلیت انجام آزمایش برش پیچشی
• قابلیت انجام آزمایش میرایی
کاربرد:
• ارزیابی مدول برشی حداکثر و میرایی حداقل
• ارزیابی منحنی های زوال مدول برشی و میرایی با کرنش برشی
• قابلیت انجام آزمایش های اشباع و غیراشباع تحت شرایط هیدرومکانیکی مختلف
- مشخصات فنی دستگاه ستون تشدید برش پیچشی غیراشباع
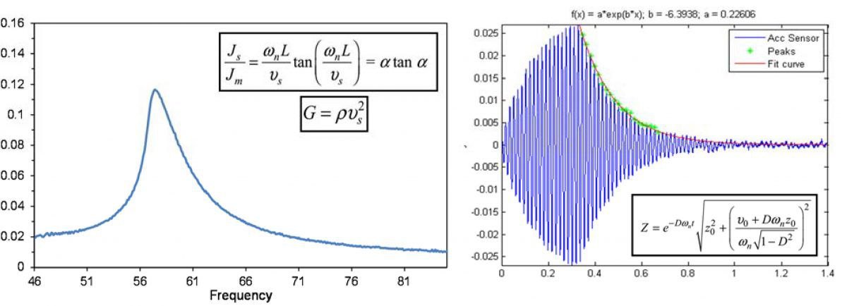
- اندازه گیری (الف) مدول برشی حداکثر از آزمایش ستون تشدید و (ب) میرایی با روش ارتعاش زوال آزاد
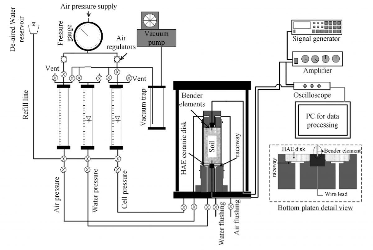
المان خمشی در سلول سه محوری همسان غیراشباع
المان خمشی در سلول سه محوری همسان غیراشباع
• کنترل مکش به روش انتقال محور
• اندازه گیری تغییر حجم با استفاده از بورت و پردازش تصویر
• قابلیت اعمال تنش متوسط خالص بالا
کاربرد:
• ارزیابی سرعت موج برشی و مدول برشی کرنش کم
• ارزیابی خصوصیات انتشار موج از نهشته های خاک غیراشباع و مشخصه بندی ژئوفیزیکی آن ها
• قابلیت انجام آزمایش های اشباع و غیراشباع
برخی از پروژه های تحقیقاتی:
• مطالعه آزمایشگاهی اثر فشردگی خمیری و تاریخچه تنش بر مدول برشی کرنش کم خاک های غیراشباع (خسروی و همکاران، 2017)
• ارزیابی تغییرات تنش پیش تحکیمی با مکش و اثر آن بر مدول برشی کرنش کم سیلت غیراشباع (خسروی و همکاران، 2016الف)
• مقایسه بین رفتار مدول برشی کرنش کم نمونه های سیلت و ماسه در حین هیسترزیس آبی (خسروی و همکاران، 2016ب)
- مشخصات فنی المان خمشی در سلول سه محوری همسان غیراشباع
- تغییرات درجه اشباع و مدول برشی حداکثر با مکش برای (الف) نمونه های سیلت تحت تنش متوسط خالص 600 کیلوپاسکال و (ب) نمونه های ماسه سیلیکا تحت تنش متوسط خالص 70 کیلوپاسکال (خسروی و همکاران، 2016ب)
- رفتار سخت شوندگی نمونه متراکم سیلت تحت سطوح تنش متوسط خالص مختلف در حین پدیده هیسترزیس آبی (خسروی و همکاران، 2016الف)
